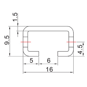
| 型号 | 芯体长度 | 芯体高度 | 扁管厚度 | 翅片片距 | 翅片高度 | 集流管外径 |
| SC-1100 | 388[mm] | 346.7[mm] | 16[mm] | 1.1[mm] | 8.1[mm] | 20[mm] |
| 15.28[in] | 13.65[in] | 0.63[in] | 23[FPI] | 0.32[in] | 0.79[in] |
| 型号 | 扁管高度 | 扁管数量 | 回路 | 内部容积 | 进口内径 | 出口内径 |
| SC-1100 | 1.3[mm] | 34 | 10/9/8/7 | ≈0.21[升] | 6.35[mm] | 6.35[mm] |
| 0.05[in] | ≈12.79[in3] | 1/4[in] | 1/4[in] |
边板安装
铝制微通道换热器在高温下存在热胀冷缩现象,支架安装等必须允许一定的公差范围。
性能参数
| 风速 | 换热性能 [KW/Btu/h×1000] | ||||||||
| [m/s] | [ft/min] | R410A | R134a | ||||||
| △ =10K △ =18°F |
△ =15K △ =27°F |
△ =2K △ =36°F |
△ =25K △ =45°F |
△ =10K △ =18°F |
△ =15K △ =27°F |
△ =2万 △ =36°F |
△ =25K △ =45°F |
||
| 1 | 197 | 1.19/4.06 | 1.83/6.25 | 2.47/8.43 | 3.19/10.89 | 1.14/3.89 | 1.75/5.97 | 2.36/8.05 | 2.97/10.14 |
| 1.5 | 295 | 1.63/5.56 | 2.52/8.60 | 3.52/12.01 | 4.47/15.26 | 1.55/5.29 | 2.39/8.16 | 3.24/11.06 | 4.09/13.96 |
| 2 | 394 | 2.02/6.89 | 3.24/11.0 | 4.41/15.05 | 5.61/19.15 | 1.89/6.45 | 2.94/10.03 | 3.99/13.62 | 5.18/17.68 |
| 2.5 | 492 | 2.36/8.05 | 3.83/13.0 | 5.22/17.82 | 6.63/22.63 | 2.2/7.51 | 3.42/11.67 | 4.77/16.28 | 6.03/20.58 |
| 3 | 591 | 2.67/9.11 | 4.63/14.8 | 5.95/20.31 | 7.57/25.84 | 2.46/8.40 | 3.85/13.14 | 5.4/18.43 | 6.8/23.21 |
| 风速 | 换热性能 [KW/Btu/h×1000] | ||||||||
| [m/s] | [ft/min] | R404A | R407C | ||||||
| △ =10K △ =18°F |
△ =15K △ =27°F |
△ =2万 △ =36°F |
△ =25K △ =45°F |
△ =10K △ =18°F |
△ =15K △ =27°F |
△ =2K △ =36°F |
△ =25K △ =45°F |
||
| 1 | 197 | 1.17/3.99 | 1.81/6.18 | 2.53/8.63 | 3.20/10.92 | 0.77/2.63 | 1.47/5.02 | 2.12/7.24 | 2.78/9.49 |
| 1.5 | 295 | 1.59/5.43 | 2.58/8.81 | 3.51/11.98 | 4.46/15.22 | 1.04/3.55 | 2.01/6.86 | 2.92/9.97 | 3.93/13.41 |
| 2 | 394 | 1.95/6.66 | 3.22/10.9 | 4.38/14.95 | 5.56/18.98 | 1.26/4.30 | 2.48/8.46 | 3.62/12.35 | 4.89/16.69 |
| 2.5 | 492 | 2.26/7.71 | 3.77/12.8 | 5.15/17.58 | 6.55/22.35 | 1.46/4.98 | 2.89/9.86 | 4.39/14.98 | 5.76/19.66 |
| 3 | 591 | 2.54/8.67 | 4.28/14.6 | 5.85/19.97 | 7.44/25.39 | 1.62/5.53 | 3.25/11.09 | 4.98/17.00 | 6.55/22.35 |
空气侧压降数据
| 风速 | 压降 | 风量 | |||
| [m/s] | [ft/min] | [Pa] |
[inch H2O] | [m3/h] |
[cfm] |
| 1 | 197 | 9.18 |
0.04 | 430.6 |
253.3 |
| 1.5 | 295 | 14.45 |
0.06 | 645.9 |
379.9 |
| 2 | 394 | 21.98 |
0.09 | 861.2 | 506.6 |
| 2.5 | 492 | 29.36 | 0.12 | 1076.49 |
633.2 |
| 3 | 591 | 34.20 |
0.14 | 1291.79 |
759.9 |


中文简体


查看更多>>
查看更多>>
查看更多>>
查看更多>>
查看更多>>
查看更多>>
查看更多>>
查看更多>>
查看更多>>
查看更多>>
查看更多>>





